Клапаны

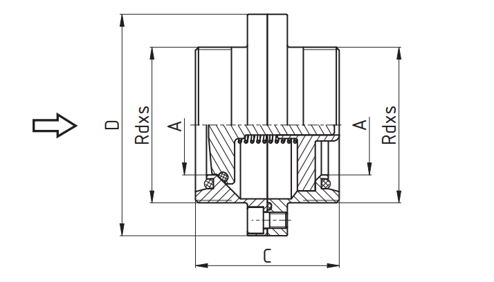
Клапан AISI 316L/EPDM 5083D р/р обратный DN 40 NIOB

Артикул: 5557
Наличие на складе:
Котельники
Котельники
Санкт-Петербург
Воронеж
Казань
Екатеринбург
Новосибирск
Самара
Уфа
Краснодар
Ростов-на-Дону
Ставрополь
много
7 710 ₽ руб./шт
Применение:
Химическая
Алкогольная
Пищевая
Документация:
Технический паспорт
Скачать
Технические характеристики:
Производитель: NIOB
Размер/Диаметр: DN 40
Тип: Пусто
Описание: