
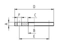
Фланец AISI 321 плоский (тип 01B) PN16 DN 50 (57)
Артикул:
10690
Применение:
|
|
|
Документация:
Технический паспорт
Скачать
Технические характеристики:
Размер/Диаметр: | DN 50 |
Тип: | Пусто |
Марка стали: | AISI 321 |
Номинальное давление - Задвижки шиб: | PN16 |
Описание: