
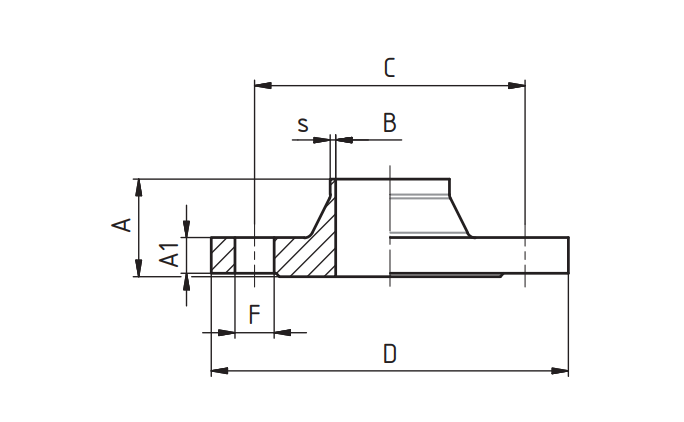
Фланец AISI 316L воротниковый (тип 11B) PN40 DN 25 (33,7)
Артикул:
9913
Применение:
|
|
|
Документация:
Технический паспорт
Скачать
Технические характеристики:
Размер/Диаметр: | DN 25 |
Тип: | Пусто |
Марка стали: | AISI 316L |
Номинальное давление - Задвижки шиб: | PN40 |
Описание: