
Фланец AISI 316L воротниковый (тип 11B) PN40 DN 20 (26,9)
Артикул:
9911
Применение:
|
|
|
Документация:
Технический паспорт
Скачать
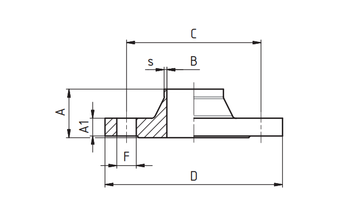
Технические характеристики:
Номинальное давление - Задвижки шиб: | PN40 |
Размер/Диаметр: | DN 20 |
Тип: | Пусто |
Марка стали: | AISI 316L |
Описание: