
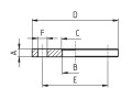
Фланец AISI 316L плоский (тип 01B) PN40 DN 32 (42,4)
Артикул:
10673
Применение:
|
|
|
Документация:
Технический паспорт
Скачать
Технические характеристики:
Марка стали: | AISI 316L |
Номинальное давление - Задвижки шиб: | PN40 |
Размер/Диаметр: | DN 32 |
Тип: | Пусто |
Описание: