
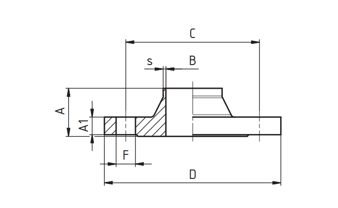
Фланец AISI 316L 20730 PN16 DN 65 NIOB
|
|
|
Размер/Диаметр: | DN 65 |
Тип: | Пусто |
Марка стали: | AISI 316L |
Номинальное давление - Задвижки шиб: | PN16 |
Производитель: | NIOB |