
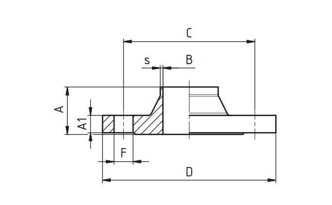
Фланец AISI 316L 20730 PN16 DN 50 NIOB
Артикул:
9380
Применение:
|
|
|
Документация:
Технический паспорт
Скачать
Технические характеристики:
Размер/Диаметр: | DN 50 |
Тип: | Пусто |
Марка стали: | AISI 316L |
Производитель: | NIOB |
Номинальное давление - Задвижки шиб: | PN16 |
Описание: