
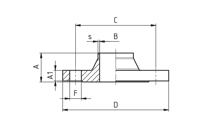
Фланец AISI 304 воротниковый (тип 11B) PN16 DN 65 (76,1)
|
|
|
Марка стали: | AISI 304 |
Номинальное давление - Задвижки шиб: | PN16 |
Размер/Диаметр: | DN 65 |
Тип: | Пусто |