
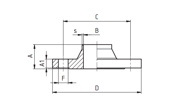
Фланец AISI 304 воротниковый (тип 11B) PN16 DN 20 (26,9)
|
|
|
Марка стали: | AISI 304 |
Номинальное давление - Задвижки шиб: | PN16 |
Размер/Диаметр: | DN 20 |
Тип: | Пусто |