
Фланец AISI 304 воротниковый (тип 11B) PN16 DN 15 (21,3)
Артикул:
8320
Применение:
|
|
|
Документация:
Технический паспорт
Скачать
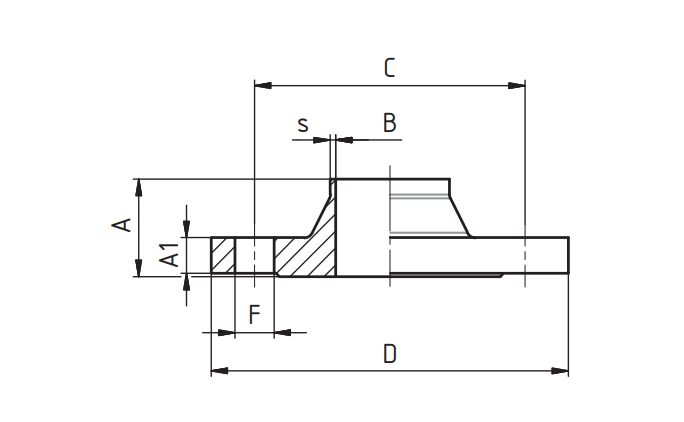
Технические характеристики:
Размер/Диаметр: | DN 15 |
Тип: | Пусто |
Марка стали: | AISI 304 |
Номинальное давление - Задвижки шиб: | PN16 |
Описание: