
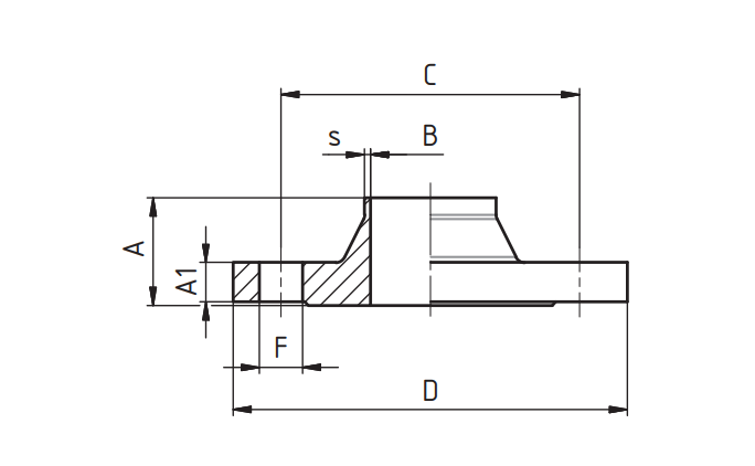
Фланец AISI 304 воротниковый (тип 11B) PN16 DN 100 (108)
Артикул:
8316
Применение:
|
|
|
Документация:
Технический паспорт
Скачать
Технические характеристики:
Марка стали: | AISI 304 |
Номинальное давление - Задвижки шиб: | PN16 |
Размер/Диаметр: | DN 100 |
Тип: | Пусто |
Описание: