
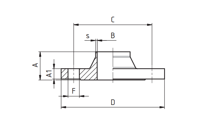
Фланец AISI 304 воротниковый (тип 11B) PN16 DN 100 (101,6)
|
|
|
Тип: | Пусто |
Марка стали: | AISI 304 |
Номинальное давление - Задвижки шиб: | PN16 |
Размер/Диаметр: | DN 100 |