
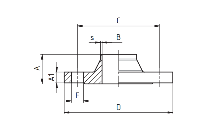
Фланец AISI 304 DIN 2633 воротниковый (тип 11B) PN16 DN 50 (53) СП
Артикул:
12560
Применение:
|
|
|
Документация:
Технический паспорт
Скачать
Технические характеристики:
Марка стали: | AISI 304 |
Производитель: | Ариэль Инокс |
Номинальное давление - Задвижки шиб: | PN16 |
Стандарт/ГОСТ: | DIN 2633 |
Размер/Диаметр: | DN 50 |
Тип: | Пусто |
Описание: