
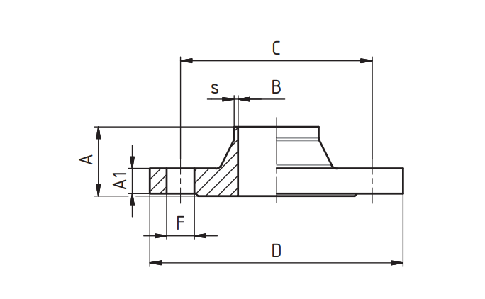
Фланец AISI 304 20730 PN16 DN 32 NIOB
|
|
|
Марка стали: | AISI 304 |
Производитель: | NIOB |
Номинальное давление - Задвижки шиб: | PN16 |
Размер/Диаметр: | DN 32 |
Тип: | Пусто |