
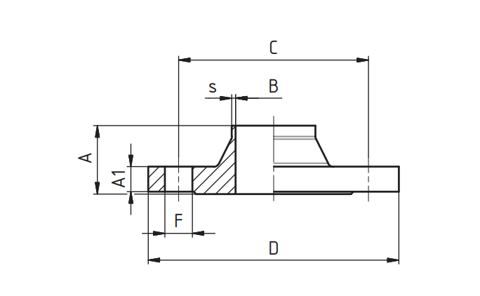
Фланец AISI 304 20730 PN16 DN 20 NIOB
Артикул:
8303
Применение:
|
|
|
Документация:
Технический паспорт
Скачать
Технические характеристики:
Размер/Диаметр: | DN 20 |
Тип: | Пусто |
Марка стали: | AISI 304 |
Производитель: | NIOB |
Номинальное давление - Задвижки шиб: | PN16 |
Описание: