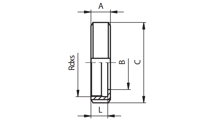
Гайка накидная шлицевая AISI 316L 20030 DN 20 NIOB
Применение:
|
|
|
|
|
|
Документация:
Технический паспорт
Скачать
Технические характеристики:
| Марка стали: | AISI 316L |
| Производитель: | NIOB |
| Размер/Диаметр: | DN 20 |
| Тип: | Пусто |
Описание:
