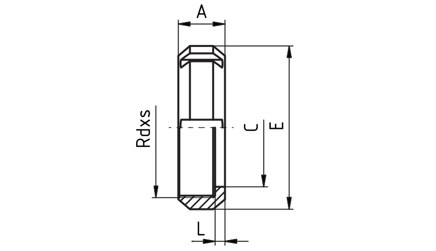
Гайка накидная шлицевая AISI 304 SMS DN 25,4 а
Применение:
|
|
|
|
|
|
Документация:
Технический паспорт
Скачать
Технические характеристики:
| Марка стали: | AISI 304 |
| Регион производства: | Азия |
| Поверхность: | Азия |
| Размер/Диаметр: | SMS DN 25,4 |
| Тип: | Пусто |
Описание:
