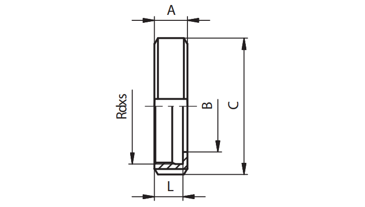
Гайка накидная шлицевая AISI 304 DN 15
|
|
|
|
|
|
| Марка стали: | AISI 304 |
| Размер/Диаметр: | DN 15 |
| Тип: | Пусто |
