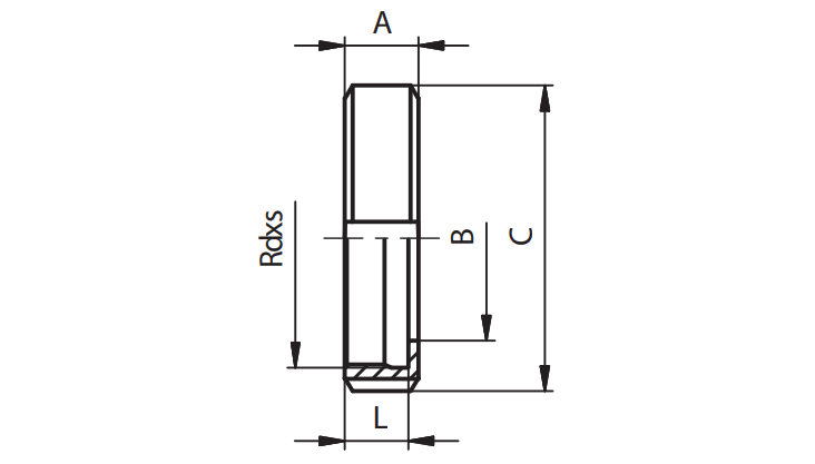
Гайка накидная шлицевая AISI 304 20030 DN 40 NIOB
|
|
|
|
|
|
| Марка стали: | AISI 304 |
| Производитель: | NIOB |
| Размер/Диаметр: | DN 40 |
| Тип: | Пусто |
