Гайка накидная шлицевая AISI 304 20030 DN 15 NIOB
Применение:
|
|
|
|
|
|
Документация:
Технический паспорт
Скачать
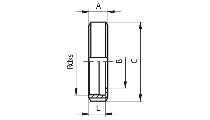
Технические характеристики:
| Размер/Диаметр: | DN 15 |
| Тип: | Пусто |
| Марка стали: | AISI 304 |
| Производитель: | NIOB |
Описание:
