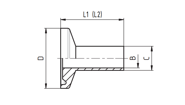
CLAMP AISI 316L ASME BPE SF1 патрубок фарм 1/2" (12,7х1,65) F=25 L=28,7 CSE
|
|
|
|
|
|
| Толщина: | 1,65 |
| Марка стали: | AISI 316L |
| Производитель: | CSE |
| Стандарт/ГОСТ: | ASME BPE |
| Размер/Диаметр: | 1/2" |
| Тип: | Пусто |
