CLAMP AISI 316L ASME BPE патрубок фарм 2 1/2" (63,5х1,65) F=77,5
Применение:
|
|
|
|
|
|
Документация:
Технический паспорт
Скачать
Технические характеристики:
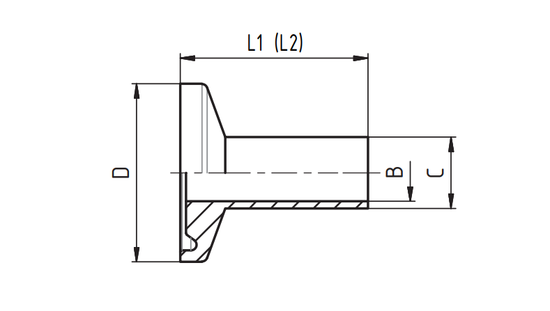
| Размер/Диаметр: | 2 1/2" |
| Тип: | Пусто |
| Толщина: | 1,65 |
| Марка стали: | AISI 316L |
| Стандарт/ГОСТ: | ASME BPE |
Описание:
